軌陸車テック株式会社鉄道工事における特殊車両「軌陸車」の製造・販売・レンタル・開発・整備。

お問い合わせ

instagram

youtube

高所作業車Aerial Work Platforms

鉄道用15mバケット式高所作業車

特長

  • 載線・離線に便利な転車台付き
  • 最大地上高15.1m
  • サブバッテリー搭載(切替式)
  • バックアイモニター標準装備
  • 非常用電磁ポンプ付き

適応軌間

  • 狭軌(1067G)/標準軌(1435G)

型式認定番号

  • TD-05-002改

免許区分

  • 中型免許(8t限定)
  • 技能講習(高所作業)
  • 特別教育(フルハーネス)

主要諸元

メーカー ㈱タダノ
軌陸型式 AT-150DW

車両諸元

最大積載量 100㎏
乗車定員 2名
全長× 全幅 6515×2200㎜
車両総重量 7875㎏
車両メーカー 日野
車両型式 2PG-XZU710M
燃料 軽油/70L

高所作業装置

メーカー ㈱タダノ
バケット型式 AT-150DW
最大地上高 15.1m
最大作業半径 13.5m
積載荷重 200㎏又は2名
アウトリガ張出幅 最小:1970㎜~最大リア2670㎜(リアのみ)
スライドストローク 350㎜(リア)

軌陸装置

駆動方式 油圧モーター駆動
最高時速 45㎞/h
登坂能力 勾配:50/1000走行可能
ブレーキ形式 エンジンブレーキ
4輪ディスクブレーキ
絶縁・短絡 4輪絶縁(短絡切替スイッチ付)

非常用装置

非常用装置 サブバッテリー/緊急停止ボタン/保安ブレーキ
非常用格納装置 非常用油圧電磁・手動ポンプ

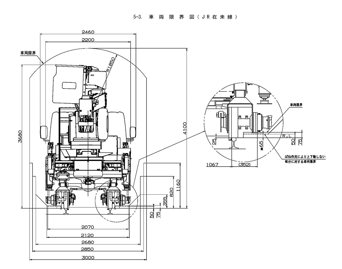
主要寸法図

主要寸法図です。下の画像をクリックすると拡大図面をご覧いただけます。

作業範囲図

作業範囲図です。下の画像をクリックすると拡大図面をご覧いただけます。

※本商品は予告なく外観・仕様の変更を行う場合がございますので、ご了承ください。

レンタル製品に関するお問い合わせ先

レンタル製品に関するお問い合わせ先は、お近くの営業所にお願いいたします。

本社(代表)          TEL:0263-50-5156

北東北営業所          TEL:018-827-6541

南東北営業所          TEL:022-762-7351

関東営業所           TEL:045-520-3857

信越営業所           TEL:025-278-8733

北海道出張所          TEL:080-7756-8899

盛岡出張所           TEL:019-601-4081

東海出張所           TEL:0568-48-1336

【営業所のご案内はこちら】

ページのトップへ